バーチシンク
スリムでシンプルなデザインが特徴の屋外シンク。
配管を見せない設計で無駄のないフォルムに仕上げています。
-
ニュートグレー
-
モノ
-
タップはオプションとなります。
-
配管施工側のみ、ビス止めで開閉が可能です。
脚を180°回転して、左右どちらにも設置できます。
メンテナンスと外観を考慮して、向きを決めてください。
アームタップ
-
シルバー -
ブラック -
ブロンズ -
ウォームシルバー
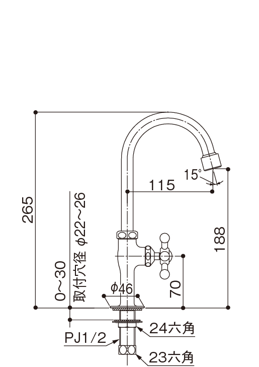
スワンタップ
-
シルバー -
ブラック -
ブロンズ -
ウォームシルバー





